
在学习高温模式之前,我们有必要先了解下烧嘴控制器的正常工作模式。
烧嘴控制器的正常工作模式
烧嘴在启动阶段和正常工作时,烧嘴控制器都要实时监测火焰状态,当火焰熄灭时,控制器要及时切断燃气供应,保证系统安全。
下面以SFD258控制器为例:
1、启动时没有监测到火焰信号,控制器切断燃气阀,输出报警。
2、启动时自检阶段,控制器尚未开燃气阀而检测到火焰信号,说明有干扰信号,输出报警。
3、烧嘴正常运行中火焰信号中断,控制器切断燃气阀,输出报警。
我们由此看出,烧嘴控制器常规工作模式下,对火焰的监测时从头至尾不间断的,这也是保证燃气使用安全的重要措施。
高温模式的现实需求
但在使用一些炉温较高的高温设备时,控制器对火焰的监测可能会受到这样那样的影响,比如:火焰监测器接收到由炉壁反射来的紫外光而非来自所监测烧嘴的火焰。从而导致系统误判,影响系统正常运行。
所以,为了解决这个问题,高温模式因此诞生!
高温模式工作原理
烧嘴控制器的高温模式是将火焰监测回路脱开,而不再对火焰进行实时监测的一种工作方式。
这种操作模式的先决条件是必须要有其他手段(如温度监测)来确保炉膛内火焰的存在。
这种工作方式使得烧嘴控制器避免了干扰,减少误判,高温下保持稳定工作。
高温设备的定义
那么怎么界定高温?超过多少度可以使用高温模式呢?
欧洲工业热处理设备标准(EN746-2)中对高温设备有定义:
高温设备:工业热处理设备在燃烧室和/或处理室壁面温度高于750℃的温度下运行。
那么,具体到烧嘴控制器,我们怎么实现呢?
BMU260高温模式功能
北京兴达奇公司生产的BMU260系列烧嘴控制器,除了具备自动点火、火焰监测、熄火保护等常用功能外,还特有高温设备操作模式。
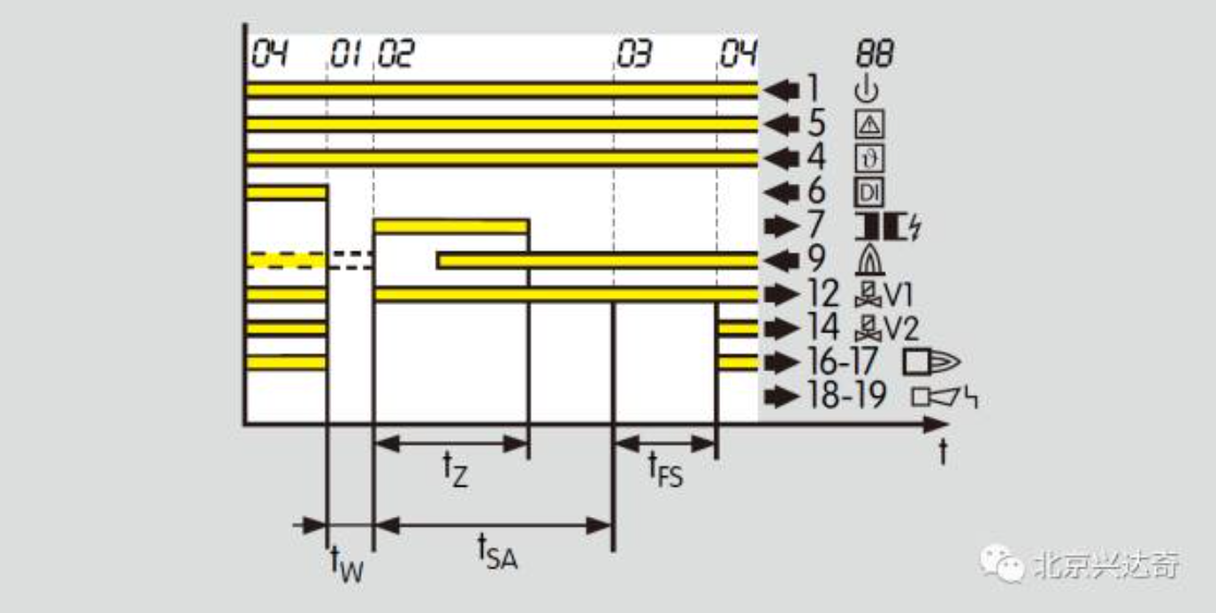
当加热设备炉膛操作温度高于750°C,我们从外部给BMU260提供一个DI(数字输入),BMU260进入“高温操作”阶段,此时烧嘴控制器将脱开火焰回路,不再判断火焰信号,烧嘴控制器内部火焰控制系统的安全功能将处于不工作状态。
这意味着控制器将不受其他非正常信号的干扰,燃气阀门打开时不受火焰回路控制。
如果炉腔温度下降到750°C以下, DI的电压输入必须断开,燃烧器恢复到正常工作模式。
欢迎广大新老客户来电垂询,欢迎订购使用。
高温模式的其他应用
当然,烧嘴控制器的高温模式不仅仅只用于高温设备,还可以使用在一些我们主观上不想受火焰信号影响的场合。
比如:当两只烧嘴对向安装时候,使用火焰监测器就可能会监测到对面燃烧器喷出的火焰而产生误判。
当然,我们再次重申,高温模式操作的先决条件是必须要有其他手段来确保炉膛内火焰的存在。
|
联系我们 |
扫一扫 进入官方微信 |
![]() |
扫一扫 进入官方微博 |
![]() |